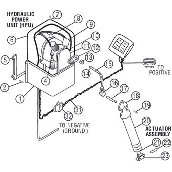
Lower Hinge & Pin


Price:
Sale price$0.00

Description

  • Can be used with any 12" Bennet Trim Tab System

You may also like

Recently viewed