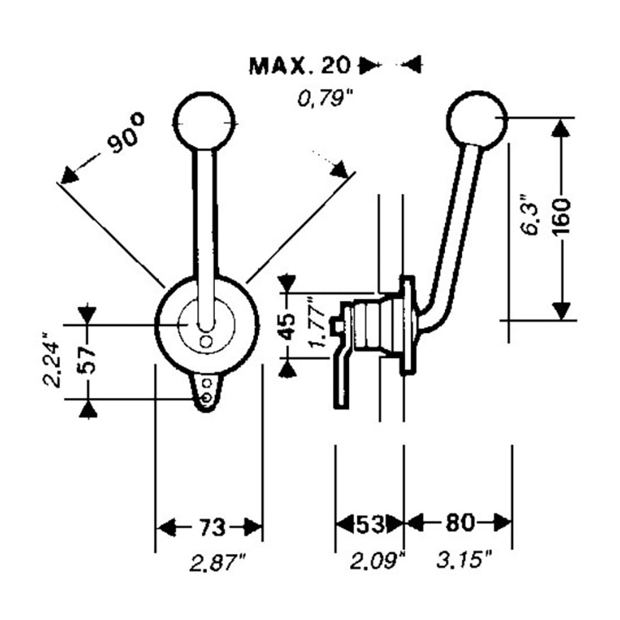
Engine Controls for Boats
Mechanical controls for boats offer precise throttle and shift operation for outboards and inboards. Featuring single and dual lever designs, these controls are built for smooth handling and durability. They ensure compatibility and performance across a wide range of vessels.
































