Description
- Manufacturer's original equipment
- Fits Kohler engine model: 344089
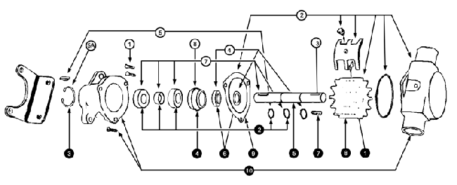
G907P Service Bulletin
Assembly and Disassembly instructions as provided by Manufacturer
|
|
Disassembly
|
|
Assembly
|
|
REPAIR NOTE: It may not be necessary to completely disassemble your pumps unless you want a complete or major repair. You should first determine, if possible, the cause of your pump problem.
|
| Sherwood Technical Tips | |
| Sherwood recommends replacing your impeller annually. However, as usage may vary vastly, Sherwood does have some storage tips for those who do not have many hours on your engine. | |
![]() |
Storing your impeller in a cool dark place avoids the following problems:
|
| Sherwood suggests three easy tips to help you install your new impeller | |
![]() |
|
| Sherwood recommends inspecting your impeller closely during any pump maintenance. Replace the impeller if you discover either of the following. | |
![]() |
|
Additional Information
For more information, visit P65Warnings.ca.gov
Warranty: The length of the warranty may vary by product, please refer to documenation that came with your product for the exact terms and conditions of the warranty for your purchase. Return: All returns must be recevied within 30 days of receipt. Manufacturer defects reported within 30 days of receipt will be supplied a pre-paid label for return shipping upon approval. Please contact us for Manufacture Defects, Returns and help with Warranties.




